産品列表PRODUCTS LIST
垂架式中心傳動濃縮機,主梁在周邊驅動裝置的帶動下,以中心旋轉支座爲軸心沿池頂以2.0m/min線速度行駛,主梁下部連接支架、污泥刮泥闆等。近液面處設置浮渣刮闆,沿中心穩流筒延伸至鉸鏈式刮渣耙,當主梁旋轉時,浮渣刮闆将💯液面的浮渣由池中心撇向池周,收集在鉸鏈式刮渣耙區内
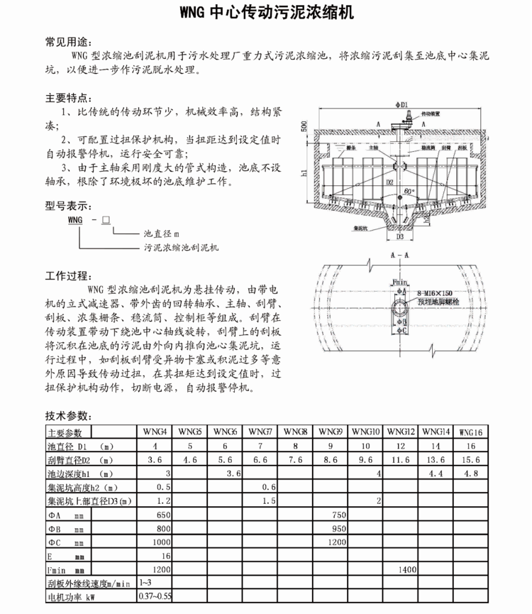
垂架式中心傳動濃縮機


垂架式中心傳動濃縮機
行車式刮泥機适用于污水處理廠平流式沉澱池或㊙️給水淨化斜管沉澱池,作用是沉澱池中的污泥的去除或回流,設備水下部分采用不鏽鋼配件,不容易損壞,限度延長使用壽命,水上工作橋采用碳🧜🏼♀️鋼型材跟碳鋼闆組成。 行車式刮泥機設備操作說♌️明書
通電前應檢測電控箱、電機的絕緣電阻必須大于0.5兆歐。

保護接地和相關電氣接點是否可靠連接,送電後應…檢查三相電壓是否正常。 集泥鬥、集楂槽分設兩端(tgnz—f型)正常提供電控…工作方式爲: (1)手動方式: a. 合上電源開關;
b. 将選擇開關sa置于“手動”檔;
c.啓動提升減速機刮泥耙上提、撇渣闆下降至液面設定位置;
d.啓動行車正行程運行,反行程限位燈滅,正行程運行🔞燈亮,到終🙂↕️端限位時停機,正行程運行燈滅,正行㊙️程終端限位燈亮,行車停🙆🏿止工作; e.啓動提升減速機刮泥耙下降、撇渣闆上提至設定位置;
f. 啓動行車反行程運行,正行程限位燈滅,反行程運行燈🙂↕️亮,到達始端反行程限位時反行程限位燈亮,反行🔞程運行燈滅,行車返回起始位置停機。完成一次循環。

說明:手動控制主要是爲安裝、調試、檢修設置的,行車、刮泥耙及🧑🏻❤️🧑🏼撇渣闆運行除受手動按扭控制外,同💯時也🧛🏽受行程限位開關約束。 (2) 自動控制: 自動控制工作方式及條件:首先,行🙂↔️車應處于反行程限位處即正行程起始端。集泥鬥、集楂槽分設兩端時,刮泥耙應處于下降行程限位位置。
a. 合上雙匹控制回路電源開關,将選擇開關置于“自動”檔,将刮泥✡️機連續往返計數器
複零按鈕按下。依工藝條件在時間繼電器(kt3)上整定🧎🏻♀️➡️好👹行車每次行走工作間隔時間(一般爲1-3次),然後,在計數器上整定好行車每次行走工作要求連續往返的次數,後,在時間繼電器(kt1、kt2)上整定好😗刮泥耙上提👩🏽🐰👩🏿、下降及行車正、反行走間隔時間(一般爲15-30秒)。 b.合上電源總開關和橋架、提升的分電源開關;